GN 2410
Teleskopske linearne vođice
Sa vodećim trakama u dvostrukom rasporedu
Sa vodećim trakama u dvostrukom rasporedu
Klizna vođica / klizna šipka
Termični poboljšan čelik
- Pocinkovano, pasivirano u plavoj boji
- Kaljene radne površine
Kugle
Čelik za valjkaste ležajeve, kaljeni
Okvir kugličnog ležaja
Čelik, pocinkovan
Veza kliznih vođica
Vijci od čelika, pocinkovani
Teleskopske linearne vođice GN 2410 sastoje se od dve međusobno povezane linearne vođice na kliznim šipkama. Koriste se npr. za primenu rukovanja i automatizacije ili u konstrukciji uređaja za kretanje u pravom smeru kada su potrebni veliki potezi sa malom konstrukcionom visinom šina.
Dvostruki raspored ima prednost u tome što je radijalni i aksijalno opterećenje isti i što se u praksi pokazao otpornim na prljavštinu.
Klizne šipke i klizne vođice su iste dužine. Obe šine se mogu izvući do te mere da se postigne hod veći od osnovne dužine l1. Ako se vijak graničnici uklone sa kliznih vođica, klizne vođice se mogu podići sa obe strane.
Eksterni elementi treba da obezbede ograničenje maks. hoda. Graničnici šina služe kao zaštita od nenamernog izvlačenja kliznih vođica.
- Druge dužine (na osnovu standardnih dužina )mrežne dimenzije od 80 mm)
- Specijalne dužine (razmaci otvora, početni i krajnji razmaci)
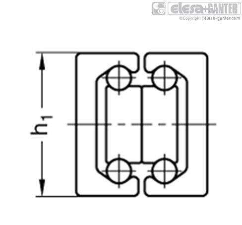
Konstrukcija
U principu, sve linearne vođice se sastoje od spoljašnje klizne vođice u kojoj se pomera unutrašnja klizna šipka. Između klizne vođice i klizne šipke nalaze se kugle valjkastog ležaja koje okvir kugličnog ležaja drži na rastojanju i mestu. Klizna vođica i klizna šipka su napravljene od termički obrađenog čelika, što znači da omogućavaju upotrebu u industrijskim okruženjima sa većim zahtevima za kapacitetom opterećenja, nesmetanim radom i vekom trajanja.
Sve izvedbe su dostupne u nominalnim veličinama kliznih vođica h1 = 28, 35 i 43 mm. Pored standardnih verzija, mogu da se isporuče u dužinama od 130 mm do 1970 mm za individualne zahteve.
Linearne vođice su obično podešene tako da se kreira uparivanje između klizne vođice i klizne šipke koje je nema zazor, tj. koje je blago prednapregnuto. Radne površine kliznih vođica i kliznih šipki su induktivno kaljene. U kombinaciji sa kuglama valjkastog ležaja, dolazi do manjeg habanja, a time i dugog radnog veka. Linearne vođice su trajno podmazane visokokvalitetnom specijalnom mašću za linearne vođice.
U zavisnosti od zahteva, možete birati između različitih dizajna. Pri tome leže putevi kliznih šipki unutar, odn. delimično ili potpuno izvan dužine klizne vođice. Poslednje navedene teleskopske linearne vođice koje mogu potpuno da se izvuku, sastoje od jedinica lineranih vođica koje povezane direktno na šinama, kliznim šipkama ili pomoću dodatnog lima (međuprofil).
Za montažu postoje upušteni otvori u kliznim vođicama i, u zavisnosti od dizajna, otvori sa navojem ili upušteni otvori u šinama. Kompaktan dizajn uglavnom favorizuje upotrebu u uskim prostorima.
Oblik
Teleskopske linearne vođice, sa kliznim šipkama povezanim u duplom rasporedu
Primeri montaže
Opterećenje teleskopskih linearnih vođica
sortirano po brojevima standarda
Prilikom odabira odgovarajuće linearne vođice prvo se mora uzeti u obzir raspoloživi prostor za ugradnju, željeni hod i opterećenje koje treba apsorbovati. Dolenavedene vrednosti služe kao vodič pri izboru odgovarajućih nominalnih veličina šina.
Podaci o kapacitetu opterećenja su neobavezujuće orijentacione vrednosti uz isključenu odgovornost. Ne predstavljaju garanciju o kvalitetu. Da li je proizvod pogodan za odgovarajuću primenu, korisnik mora odrediti u svakom pojedinačnom slučaju. Uticaji okoline i starenje mogu uticati na navedene vrednosti.
| Br. artikla | Dozvoljena opterećenja |
| - | Co rad u N |
| GN 2410-28-210 | 444 |
| GN 2410-28-370 | 496 |
| GN 2410-28-450 | 405 |
| GN 2410-28-530 | 342 |
| GN 2410-35-370 | 534 |
| GN 2410-35-450 | 439 |
| GN 2410-35-530 | 403 |
| GN 2410-35-610 | 346 |
| GN 2410-43-450 | 1370 |
| GN 2410-43-610 | 1115 |
| GN 2410-43-770 | 870 |
| GN 2410-43-930 | 714 |
Za teleskopske linearne vođice koje se sastoje od dve sastavljene linearne vođice, ne izrađuju se podaci o momentu težine tereta, pošto se oni obično koriste za slučajeve upotrebe u paru. Pri tome se takva opterećenja javljaju samo u maloj količini, jer se, po pravilu, može pretpostaviti da okolna konstrukcija obezbeđuje dovoljnu krutost. U principu, uvođenje momenata težine tereta je dozvoljeno u određenim granicama.
Statičko opterećenje i izgib
Vrednosti opterećenja navedene u tabelama odnose se na maksimalnu dozvoljenu silu koja može da deluje na treći segment u sredini potpuno izvučene profilne šine.
Ako se poštuju navedene vrednosti i ako je teleskopska linearna vođica potpuno izvučena, na kraju klizne šipke ili klizne vođice dolazi do manjeg izgiba. Ovo obično nema negativan uticaj na funkciju primene. Po potrebi, moguće je navesti orijentacione vrednosti na zahtev.
Pričvrsni vijci, raspored otvora za pričvršćivanje
Za pričvršćivanje se standardno koriste vijci sa upuštenom glavom DIN 7991-10.9, koji moraju biti montirani uz navedeni obrtni moment pritezanja. U zavisnosti od izvedbe, možda neće biti moguće pristupiti/zauzeti sve otvore za pričvršćivanje. Generalno, ovi otvori mogu ostati neiskorišćeni. U izuzetnim slučajevima, posebno sa obostranim hodom, otvorima za pričvrsnih se može pristupiti otpuštanjem vijak graničnika i izvlačenjem klizne šine. Vijak graničnici se zatim ponovo postavljaju.
Brzina kretanja, proklizavanje kaveza
Brzina kretanja linearnih vođica može biti do 0,8 m/s Na ovu vrednost utiče primena i dužina ugradnje. Uz brze promene pravca i velike sile ubrzanja, može doći do klizanja kaveza u nepovoljnim slučajevima, posebno kod dugih okvira kugličnih ležaja. Kavez se ne pomera sinhrono sa polovinom brzine klizne šipke, već postepeno gubi ispravan položaj klizanjem. U takvim slučajevima, ako je moguće, treba izvršiti kretanje u praznom hodu do kraja putanje kako bi se kavez ponovo pozicionirao.
Vaš zahtev je poslat i biće obrađen u najkraćem mogućem roku.