GN 707.4-NI
GN 707.4
Prsteni za pozicioniranje sa segmentima
78711-R,20
78710-R,10
78712-R,50
GN 300-30-B5-SW,60
GN 612-5-M12x1,5-A,40
DIN 172-B10,5-20-A,50
ISO 8675-M8x1-04-BT,10
Prsten za pozicioniranje
Cilindrični vijak ISO 4762
Nerđajući čelik, AISI 304
Navojni osigurač
Poliamidni tačkasti premaz (PFB)
plav
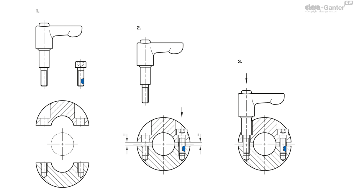
Podesiva zatezna ručica
Prsteni za pozicioniranje sa segmentima GN 707.4 koriste se kada nije mogućaaksijalna montaža. Mogu bez alata jednostavno i brzo da se stegnu uz redukovanje visine proreza pomoću podesive zatezne ručice. Zbog toga mogu da se koriste npr. kao graničnik čiji položaj se često menja.
Blokada navojnog osigurača isporučenog cilindričnog vijka osigurava da se visina proreza podešena tokom montaže održava čak i kada se zatezna ručica otpusti.
Dimenzije prstena za pozicioniranje sa segmentima odgovaraju prstenima za pozicioniranje sa prorezimaGN 706.2 / GN 706.4. Navoj d3 kod veličina d1 = 16 do 36 je dostupan kao otvor, od veličine d1 = 42 kao slepi otvor.
Vaš zahtev je poslat i biće obrađen u najkraćem mogućem roku.